登录

技术解析|为什么硬件工程师正在用芯片式固态继电器取代机械继电器?


速读:继电器是住宅温控器中故障率最高的组件。 机械继电器触点在每次开关循环中都会退化。 固态继电器实现零电弧开关。 固态继电器完全静音运行(0dB开关噪声)——消除了一个最主要的消费者投诉【下载黑猫投诉客户端】类别。
2026年04月22日 10:4

01、设计挑战

继电器是住宅温控器中故障率最高的组件。 机械继电器 会磨损、产生可闻噪声、产生电磁干扰,并占用宝贵的 PCB 面积。对于设计下一代智能温控器的工程团队而言,这些限制直接影响产品寿命、认证周期和现场故障率。

芯片式固态继电器 在元件层面解决了这些问题。本文以 MPS MP9566 为参考,对 机械继电器 与固态继电器进行了详细的技术比较,并量化了与温控器硬件设计相关的优势。

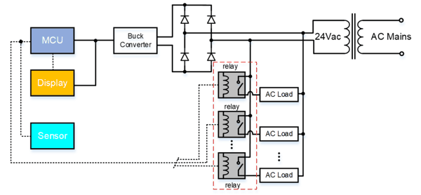
图1: 继电器在温控器中的应用(示例) 图1: 继电器在温控器中的应用(示例) 02、 机械继电器 在温控器应用中的局限性

触点磨损与有限寿命

机械继电器触点在每次开关循环中都会退化。在负载下,触点材料(通常为银合金)会经历摩擦、侵蚀和电阻增加。额定电气寿命约为负载下 10 万次循环。一个每天开关 50 次的温控器每年累计约 18,250 次循环,意味着继电器可能在 5–6 年内达到寿命终点——往往早于其他元器件。

电弧与安全风险

开关过程中的触点电弧会产生高温,侵蚀触点表面并产生宽带电磁辐射。在燃气设备控制和其他安全关键应用中,电弧会造成火灾风险。电弧还会产生 EMI,干扰附近的敏感电路。

开关速度

机械继电器的总开关周期时间为 15–25 毫秒,受到运动部件惯性的限制。这排除了基于 PWM 的功率控制,并由于响应缓慢导致的过冲,将温度调节精度限制在约 ±1°C。

尺寸

一个典型的 5A/24VAC 机械继电器尺寸约为 20×15×15 毫米,并需要额外的线圈驱动电路,占用大量 PCB 面积,限制了产品的小型化。

03、固态继电器架构和原理

以 MPS MP9566 为例,它是一款基于 MOSFET 的固态继电器,采用 QFN-20 封装(3×5×0.9 毫米)。它将三个功能模块集成到单个 IC 中:

1. 数字控制接口

I²C(SCL/SDA)或直接使能引脚(EN),用于 MCU 驱动的开/关控制。

2. 电容隔离屏障

在低压数字侧与高压交流侧之间提供千伏级电气隔离。

3. 集成栅极驱动器与功率 MOSFET

背对背 MOSFET 配置,用于交流负载开关。

这种集成消除了机械继电器设计所需的分立线圈驱动器、续流二极管和缓冲电路。

图2: 固态继电器(MP9566)应用框图和原理示意图 图2: 固态继电器(MP9566)应用框图和原理示意图 关键规格

04、机械继电器 vs. 固态继电器

可靠性与寿命

对于温控器应用,这些好处意味着在整个产品生命周期内免维护运行。由于继电器故障导致的现场更换被有效消除,降低了保修成本并提高了 MTBF。

开关性能

快速的开关速度以及基于 PWM 的功率控制,能产生更平滑的温度曲线,减少设备启停应力,并可将温度精度从 ±1°C 提高到 ±0.1°C。这对需要快速控制信号的逆变器驱动热泵和空调尤其有价值。

功耗对比

在 1 A 负载电流下的直接比较展示了效率优势:

机械继电器:触点电阻 = 0.1 Ω,线圈功耗 = 50–200 mW(随电压/线圈额定值变化;例如某市面产品平均约 125 mW)。

总功耗 = 225 mW。

固态继电器:导通电阻 0.12 Ω,负载电流 = 1 A,VDD = 3.3 V,IDD = 300 µA。

总功耗 = 121 mW。

固态继电器将继电器级功耗降低了约 47%。此外,固态继电器完全消除了线圈保持功耗,因为没有电磁线圈需要通电。对于电池备份的温控器设计,MP9566 的 8.5 µA 静态电流对于维持备用电源至关重要。

声学噪声

机械继电器在每次开关事件时都会产生可闻的咔哒声。按每天 50 次循环计算,这是一个明显的用户投诉来源,尤其是在卧室和会议室安装环境中。固态继电器完全静音运行(0 dB 开关噪声)——消除了一个最主要的消费者投诉 【下载黑猫投诉客户端】 类别。

安全与电弧抑制

固态继电器实现零电弧开关。其默认的零电流关断特性检测交流波形过零点,在电流最低点断开电路。这消除了关断时的感性电压尖峰,而在机械继电器设计中需要缓冲电路(通常为 RC 网络)来抑制。移除缓冲电路节省了 BOM 成本和 PCB 空间,并消除了一个潜在故障点。

无电弧特性也使固态继电器适用于燃气设备控制以及其他火花可能构成点火风险的环境。

EMC 性能

机械继电器通过三种机制产生电磁干扰:触点弹跳(闭合过程中的多次撞击产生高频噪声)、电弧辐射(断开过程中的宽带 EMI)和线圈瞬态(通电/断电过程中的电压尖峰)。这些可能导致 MCU 复位、传感器读数错误和智能温控器中的无线通信中断。

固态继电器消除了所有三种来源。其内部瞬态抑制电路进一步降低了传导发射。对于致力于满足 CISPR 32 或 FCC Part 15 合规要求的工程团队来说,这可以显著减少 EMC 设计工作量并缩短认证周期。

板级空间与集成度

主题:继电器|机械继电器|固态继电器|限制