LTspice操作方法:定义电压源和电流源的分段线性函数
分段线性(PWL)函数是一系列直线段,可用于在 LTspice ®中创建电压或电流波形。PWL段通过时间/数值对进行定义,是瞬态仿真中用于描述电压或电流波形的众多方式之一。
图1. 定义PWL函数中的时间和数值点 定义PWL波形
选择 PWL(t1 v1 t2 v2…)之后,在输入字段中输入时间/数值对(仅输入所需数量的参数对)。如果需要4个以上的点,请点击 Additional PWL Points(更多PWL点)。完成后点击OK(确定)。
LTspice 会利用Advanced(高级)设置对话框中输入的值构造一个 PWL语句:
PWL (0 0 1m 1 2m 1 3m 0)
图1和图2显示了一个包含四个点对的示例及相应的PWL函数语法。
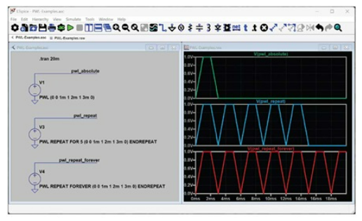
PWL-Examples.asc是一个 LTspice 原理图文件,包含了本文中的此示例和其他示例。
图2. 原理图中显示的电压源的相应PWL语法 在PWL波形中使用相对时间值
时间值也可采用相对前一个时间点的增量形式定义,只需在时间前添加“+”号即可。
PWL (0 0 +1m 1 +1m 1 +1m 0)
图3同时显示了绝对时间和相对时间,其生成的波形相同。
图3. 使用绝对时间和相对时间生成的相同PWL波形 定义重复PWL波形
LTspice允许在Advanced(高级)对话框中编辑时间/数值对。要探索PWL的其他语法元素,请右键单击原理图中的PWL语句以继续编辑。要创建一个重复PWL波形,请在PWL语句中添加REPEAT和ENDREPEAT。
要使图3中的示例波形重复一定次数,请使用REPEAT FOR X:
PWL REPEAT FOR 5 (0 0 1m 1 2m 1 3m 0) ENDREPEAT
要使图3中的示例波形重复无限次,请使用REPEAT FOREVER:
PWL REPEAT FOREVER (0 0 1m 1 2m 1 3m 0) ENDREPEAT
图4显示了原始PWL示例、该波形重复五次的版本以及无限重复的波形(右键单击波形查看器并选择Add Plot Pane Above/Below)(在上方/下方添加绘图窗格)可创建多个绘图窗格)。
图4. 使用REPEAT FOR和REPEAT FOREVER参数构建的PWL波形 使用触发条件启动PWL序列
图5显示了一个依赖触发条件的PWL波形示例。在此示例中,当触发表达式(V(trig) > 1)为真时,波形序列开始。当表达式为假时,波形停止。
图5. 定义了触发条件的PWL波形
在此示例中,当触发条件为真时,波形会重复:
PWL REPEAT FOREVER (0 0 1m 1 2m 1 3m 0) ENDREPEAT TRIGGER V(trig)>1
拉伸或缩小PWL波形
PWL参数TIME_SCALE_FACTOR和VALUE_SCALE_FACTOR可用于拉伸或缩小波形。图6显示了原始波形及周期长度减半、幅度加倍的波形:
PWL TIME_SCALE_FACTOR=0.5 VALUE_SCALE_FACTOR=2 REPEAT FOREVER (0 0 1m 1 2m 1 3m 0) ENDREPEAT
图6. 在时间和电压(或电流)值维度上对波形进行缩放 使用文本文件来定义PWL波形
为构建具有大量点的波形,从文本文件导入这些点有助于保持原理图简洁,避免杂乱。文件名在PWL语句中指定:
PWL REPEAT FOREVER FILE=data.txt ENDREPEAT
图7以一个导入的无限重复波形为例,展示了其文本文件和相应的波形。有关导入波形数据的更多信息,包括FILE、SCOPEDATA和WAVEFILE导入语法,请参见LTspice手册。
图7. 从文本文件导入波形数据 LTspice手册的“电压源”和“电流源”部分介绍了PWL函数,可供进一步学习。
结语
当瞬态仿真需要任意源波形时,PWL函数支持灵活定义(或导入)波形数据。



新浪科技公众号
“掌”握科技鲜闻 (微信搜索techsina或扫描左侧二维码关注)

“不好看就退票”服务,能救电影院吗?
微信封禁自家“兄弟”红包,打的什么牌?
华住,比携程还会捞金?
华为首创阔折叠 苹果安卓火速跟进:定价集体破万
DJI Osmo Mobile 8P上手:分体遥控 一机三用
REDMI Book Pro 14 上手体验:一款AI性能轻薄全能本
长安汽车朱华荣:阿维塔和深蓝汽车将战略性整合 预计年底完成
航旅纵横突然崩了!行程、购票功能瘫痪
华为Pura系列及全场景新品发布会举行,重磅新品悉数亮相
SK海力士员工今年平均奖金47.7万美元!明年再翻一倍 三星员工看完直接罢工
狂暴释放!REDMI K Pad 2重新定义平板性能
OPPO Find X9s Pro评测:Pro名号 Ultra实力
全系标配华为智驾 华境S售价疑曝光:坐稳最亲民大六座SUV